Главная > Подшипники> Роликовые > Радиальные сферические>23996-B-K-MB + H3996-HG

23996-B-K-MB + H3996-HG — Подшипник роликовый самоустанавливающийся, импортное производство по ISO стандарту, размер 450x650x128 номер основного исполнения 23996.
Производитель: FAG.
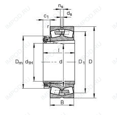
BK = K = коническое отверстие, конус 1:12. D1 = Смазочное отверстие и три отверстия в наружном кольце подшипника.
Цена от:396 061 р.
Цена на подшипник зависит от:
| Обозначение | Модификация |
|---|---|
| 23996 | Основное конструктивное исполнение. |
| 23996R | R = Наружное кольцо с фланцем . |
| 23996E | Е = Увеличенная грузоподъемность. |
| 23996RK | К = Коническая посадка, конусность 1:12. |
| 23996EK | К = Коническая посадка, конусность 1:12. |
| 23996 K | К = Коническая посадка, конусность 1:12. |
| 23996W33 | W3 = Смазочный паз и три отверстия в наружном кольце подшипника. |
| 23996YMB | MB = Обработанный латунный сепаратор с внутренним кольцом. |
| 23996CAE4 | CA = цельный латунный сепаратор с механической обработкой, двойной зуб, удерживающие фланцы на внутреннем кольце и направляющем кольце, центрированные на внутреннем кольце. Е = увеличенная грузоподъемность. |
| 23996-B-MB | B = 40 градусов угол контакта. M = обработанный латунный сепаратор, расположенныйна элементах качения. |
| 23996CAKE4 | CA = Цельный обработанный латунный сепаратор, двойной зуб, удерживающие фланцы на внутреннем кольце и направляющем кольце, центрированные на внутреннем кольце. |
| 23996 CW33 | W3 = Смазочный паз и три отверстия в наружном кольце подшипника. |
| 23996 KW33 | K = коническое отверстие, конус 1:12. W33 = Смазочный паз и три отверстия в наружном кольце подшипника. |
| 23996 KCW33 | W3 = Смазочный паз и три отверстия в наружном кольце подшипника. |
| 23996-B-K-MB | BK = K = коническое отверстие, конус 1:12. D1 = Смазочное отверстие и три отверстия в наружном кольце подшипника. |
| 23996CCW33MB | Радиальный сферический роликоподшипник исполнения С с улучшенным ведением роликов и, благодаря этому, сниженным потерям на трение. |
| 23996CAK/W33 | CA = цельный латунный сепаратор с механической обработкой, двойной зуб, удерживающие фланцы на внутреннем кольце и направляющее кольцо, центрированное на внутреннем кольце. K = коническое отверстие, конус 1:12. W33 = Смазочный паз и три отверстия в наружном кольце подшипника. |
| 23996 CA/W33 | CA = цельный обработанный латунный сепаратор, двойной зуб, удерживающие фланцы на внутреннем кольце и направляющем кольце, центрированные на внутреннем кольце. W33 = кольцевой паз и три отверстия для смазки на внешнем кольце. |
| 23996-MB-W33 | MB = Обработанный латунный сепаратор с внутренним кольцом. KR = коническое отверстие. W33 = Смазочный паз и три отверстия в наружном кольце подшипника. |
| 23996-K-MB-W33 | MB = Обработанный латунный сепаратор с внутренним кольцом. KR = коническое отверстие. W33 = Смазочный паз и три отверстия в наружном кольце подшипника. |
| 23996 KCW33+H3996 | W3 = Смазочный паз и три отверстия в наружном кольце подшипника. |
| 23996 EKW33+OH3996 | K = коническое отверстие, конус 1:12. W33 = Смазочный паз и три отверстия в наружном кольце подшипника. |
| 23996-B-K-MB+H3996 | BK = K = коническое отверстие, конус 1:12. D1 = Смазочное отверстие и три отверстия в наружном кольце подшипника. |
| 23996 KCW33+AH3996 | W3 = Смазочный паз и три отверстия в наружном кольце подшипника. |
| 23996-B-K-MB+AH3996 | BK = K = коническое отверстие, конус 1:12. D1 = Смазочное отверстие и три отверстия в наружном кольце подшипника. |
| 23996-B-K-MB + AH3996-H | BK = K = коническое отверстие, конус 1:12. D1 = Смазочное отверстие и три отверстия в наружном кольце подшипника. |
Габаритные размеры
Размеры и геометрические характеристики
Нагрузка и ресурс
Коэффициенты для расчета
Присоединительные размеры
Конструкция и исполнение
Прочие характеристики