Главная > Подшипники> Роликовые > Радиальные сферические>23084-E1A-K-MB1 + AH3084G-H

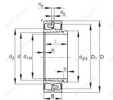
23084-E1A-K-MB1 + AH3084G-H — Подшипник роликовый самоустанавливающийся, импортное производство по ISO стандарту, размер 400x620x150 номер основного исполнения 23084.
Производитель: FAG.
K = коническое отверстие, конус 1:12. М = Механически обработанный латунный сепаратор, центрируемый по роликам.
Цена от:284 421 р.
Цена на подшипник зависит от:
| Обозначение | Модификация |
|---|---|
| 23084 | Основное конструктивное исполнение. |
| 23084R | R = Наружное кольцо с фланцем . |
| 23084E | Е = Увеличенная грузоподъемность. |
| 23084B | B = однокомпонентное ребристое внутреннее кольцо. |
| 23084BK | BK = K = коническое отверстие, конус 1:12. D1 = Смазочное отверстие и три отверстия в наружном кольце подшипника. |
| 23084RK | К = Коническая посадка, конусность 1:12. |
| 23084EK | К = Коническая посадка, конусность 1:12. |
| 23084 K | К = Коническая посадка, конусность 1:12. |
| 23084RHA | R = Наружное кольцо с фланцем . |
| 23084YMB | MB = Обработанный латунный сепаратор с внутренним кольцом. |
| 23084W33 | W3 = Смазочный паз и три отверстия в наружном кольце подшипника. |
| 23084RHAK | К = Коническая посадка, конусность 1:12. |
| 23084CAE4 | CA = цельный латунный сепаратор с механической обработкой, двойной зуб, удерживающие фланцы на внутреннем кольце и направляющем кольце, центрированные на внутреннем кольце. Е = увеличенная грузоподъемность. |
| 23084 KW33 | K = коническое отверстие, конус 1:12. W33 = Смазочный паз и три отверстия в наружном кольце подшипника. |
| 23084 CW33 | W3 = Смазочный паз и три отверстия в наружном кольце подшипника. |
| 23084 B.MB | B = 40 градусов угол контакта. M = обработанный латунный сепаратор, расположенныйна элементах качения. |
| 23084CAKE4 | CA = Цельный обработанный латунный сепаратор, двойной зуб, удерживающие фланцы на внутреннем кольце и направляющем кольце, центрированные на внутреннем кольце. |
| 23084 KCW33 | W3 = Смазочный паз и три отверстия в наружном кольце подшипника. |
| 23084 CA/W33 | CA = цельный обработанный латунный сепаратор, двойной зуб, удерживающие фланцы на внутреннем кольце и направляющем кольце, центрированные на внутреннем кольце. W33 = кольцевой паз и три отверстия для смазки на внешнем кольце. |
| 23084 B.K.MB | BK = K = коническое отверстие, конус 1:12. D1 = Смазочное отверстие и три отверстия в наружном кольце подшипника. |
| 23084-MB-W33 | MB = Обработанный латунный сепаратор с внутренним кольцом. KR = коническое отверстие. W33 = Смазочный паз и три отверстия в наружном кольце подшипника. |
| 23084-E1A-MB1 | MB = Обработанный латунный сепаратор с внутренним кольцом. |
| 23084 CAK/W33 | CA = цельный латунный сепаратор с механической обработкой, двойной зуб, удерживающие фланцы на внутреннем кольце и направляющее кольцо, центрированное на внутреннем кольце. K = коническое отверстие, конус 1:12. W33 = Смазочный паз и три отверстия в наружном кольце подшипника. |
| 23084CCW33MBC3 | MB = Механически обработанный латунный сепаратор, центрируемый по внутреннему кольцу. C3 = Радиальный внутренний зазор подшипника больше, чем обычно. |
| 23084-K-MB-W33 | MB = Обработанный латунный сепаратор с внутренним кольцом. KR = коническое отверстие. W33 = Смазочный паз и три отверстия в наружном кольце подшипника. |
| 23084-E1A-K-MB1 | K = коническое отверстие, конус 1:12. М = Механически обработанный латунный сепаратор, центрируемый по роликам. |
| 23084 KCW33+H3084 | W3 = Смазочный паз и три отверстия в наружном кольце подшипника. |
| 23084 KCW33+AH3084 | W3 = Смазочный паз и три отверстия в наружном кольце подшипника. |
| 23084 EKW33+OH3084 | K = коническое отверстие, конус 1:12. W33 = Смазочный паз и три отверстия в наружном кольце подшипника. |
| 23084-B-K-MB+H3084X | BK = K = коническое отверстие, конус 1:12. D1 = Смазочное отверстие и три отверстия в наружном кольце подшипника. |
| 23084 EKW33+AOH3084 | K = коническое отверстие, конус 1:12. W33 = Смазочный паз и три отверстия в наружном кольце подшипника. |
| 23084-B-K-MB+AH3084G | BK = K = коническое отверстие, конус 1:12. D1 = Смазочное отверстие и три отверстия в наружном кольце подшипника. |
| 23084-K-MB-W33+AH3084 | MB = Обработанный латунный сепаратор с внутренним кольцом. KR = коническое отверстие. W33 = Смазочный паз и три отверстия в наружном кольце подшипника. |
| 23084-K-MB-W33+OH3084-H | MB = Обработанный латунный сепаратор с внутренним кольцом. KR = коническое отверстие. W33 = Смазочный паз и три отверстия в наружном кольце подшипника. |
| 23084 CAK/W33 + AOH 3084 G | CA = цельный латунный сепаратор с механической обработкой, двойной зуб, удерживающие фланцы на внутреннем кольце и направляющее кольцо, центрированное на внутреннем кольце. K = коническое отверстие, конус 1:12. W33 = Смазочный паз и три отверстия в наружном кольце подшипника. |
| 23084-E1A-K-MB1 + H3084X-HG | K = коническое отверстие, конус 1:12. М = Механически обработанный латунный сепаратор, центрируемый по роликам. |
Габаритные размеры
Размеры и геометрические характеристики
Нагрузка и ресурс
Коэффициенты для расчета
Присоединительные размеры
Конструкция и исполнение
Прочие характеристики