Главная > Подшипники> Роликовые > Радиальные сферические>23056-E1-K + AH3056

23056-E1-K + AH3056 — Подшипник роликовый самоустанавливающийся, импортное производство по ISO стандарту, размер 260x420x106 номер основного исполнения 23056.
Производитель: FAG.
E1 = Проектирование повышенной емкости.
Цена от:71 980 р.
Цена на подшипник зависит от:
| Обозначение | Модификация |
|---|---|
| 23056 | Основное конструктивное исполнение. |
| 23056R | R = Наружное кольцо с фланцем . |
| 23056B | B = однокомпонентное ребристое внутреннее кольцо. |
| 23056E | Е = Увеличенная грузоподъемность. |
| 23056RK | К = Коническая посадка, конусность 1:12. |
| 23056 K | К = Коническая посадка, конусность 1:12. |
| 23056BK | BK = K = коническое отверстие, конус 1:12. D1 = Смазочное отверстие и три отверстия в наружном кольце подшипника. |
| 23056EK | К = Коническая посадка, конусность 1:12. |
| 23056YMB | MB = Обработанный латунный сепаратор с внутренним кольцом. |
| 23056RHA | R = Наружное кольцо с фланцем . |
| 23056W33 | W3 = Смазочный паз и три отверстия в наружном кольце подшипника. |
| 23056 E1 | E1 = Проектирование повышенной емкости. |
| 23056MW33 | W3 = Смазочный паз и три отверстия в наружном кольце подшипника. |
| 23056RHAK | К = Коническая посадка, конусность 1:12. |
| 23056CAE4 | CA = цельный латунный сепаратор с механической обработкой, двойной зуб, удерживающие фланцы на внутреннем кольце и направляющем кольце, центрированные на внутреннем кольце. Е = увеличенная грузоподъемность. |
| 23056EMW33 | E = Увеличенная грузоподъемность. М = Механически обработанный латунный сепаратор, центрируемый по роликам. W33 = Смазочный паз и три отверстия в наружном кольце подшипника. |
| 23056 CW33 | W3 = Смазочный паз и три отверстия в наружном кольце подшипника. |
| 23056 KW33 | K = коническое отверстие, конус 1:12. W33 = Смазочный паз и три отверстия в наружном кольце подшипника. |
| 23056-B-MB | B = 40 градусов угол контакта. M = обработанный латунный сепаратор, расположенныйна элементах качения. |
| 23056 E1.K | E1 = Проектирование повышенной емкости. |
| 23056CAKE4 | CA = Цельный обработанный латунный сепаратор, двойной зуб, удерживающие фланцы на внутреннем кольце и направляющем кольце, центрированные на внутреннем кольце. |
| 23056EMKW33 | K = коническое отверстие, конус 1:12. W33 = Смазочный паз и три отверстия в наружном кольце подшипника. |
| 23056CW33MB | W3 = Смазочный паз и три отверстия в наружном кольце подшипника. |
| 23056 E1.C3 | C3 = Радиальный внутренний зазор больше нормального. |
| 23056MBKW33 | K = коническое отверстие, конус 1:12. W33 = Смазочный паз и три отверстия в наружном кольце подшипника. |
| TL23056CAE4 | CA = цельный латунный сепаратор с механической обработкой, двойной зуб, удерживающие фланцы на внутреннем кольце и направляющем кольце, центрированные на внутреннем кольце. Е = увеличенная грузоподъемность. |
| 23056 KCW33 | W3 = Смазочный паз и три отверстия в наружном кольце подшипника. |
| 23056-B-K-MB | BK = K = коническое отверстие, конус 1:12. D1 = Смазочное отверстие и три отверстия в наружном кольце подшипника. |
| 23056 CC.W33 | Радиальный сферический роликоподшипник исполнения С с улучшенным ведением роликов и, благодаря этому, сниженным потерям на трение. |
| 23056-MB-W33 | MB = Обработанный латунный сепаратор с внутренним кольцом. KR = коническое отверстие. W33 = Смазочный паз и три отверстия в наружном кольце подшипника. |
| TL23056CAKE4 | CA = Цельный обработанный латунный сепаратор, двойной зуб, удерживающие фланцы на внутреннем кольце и направляющем кольце, центрированные на внутреннем кольце. |
| 23056 CCK.W33 | CC = сферический роликоподшипник конструкции C, с улучшенным управлением роликом. K = коническое отверстие, конус 1:12. W33 = Смазочный паз и три отверстия в наружном кольце подшипника. |
| 23056-K-MB-W33 | MB = Обработанный латунный сепаратор с внутренним кольцом. KR = коническое отверстие. W33 = Смазочный паз и три отверстия в наружном кольце подшипника. |
| 23056 CC.C3W33 | C3W33 = C3 = Радиальный внутренний зазор больше, чем обычно. W33 = Смазочная канавка и три отверстия в наружном кольце подшипника. |
| 23056 B.K.MB.C3 | MB = Механически обработанный латунный сепаратор, центрируемый по внутреннему кольцу. C3 = Радиальный внутренний зазор подшипника больше, чем обычно. |
| 23056 CCK.C3W33 | CC = сферический роликоподшипник конструкции C, с улучшенным управлением роликом. K = коническое отверстие, конус 1:12. C3 = Внутренний зазор больше, чем обычно. W33 = Смазочный паз и три отверстия в наружном кольце подшипника. |
| 23056 KCW33+H3056 | W3 = Смазочный паз и три отверстия в наружном кольце подшипника. |
| 23056-E1-K + H3056 | K = коническое отверстие, конус 1:12. H = высокая, узкая каретка для двухрядного шарикоподшипника и направляющей в сборе. |
| 23056 EKW33+OH3056 | K = коническое отверстие, конус 1:12. W33 = Смазочный паз и три отверстия в наружном кольце подшипника. |
| 23056 KCW33+AH3056 | W3 = Смазочный паз и три отверстия в наружном кольце подшипника. |
| 23056 ACKMW33+H3056 | K = коническое отверстие, конус 1:12. М = Механически обработанный латунный сепаратор, центрируемый по роликам. |
| 23056 EKW33+AOH3056 | K = коническое отверстие, конус 1:12. W33 = Смазочный паз и три отверстия в наружном кольце подшипника. |
| 23056-B-K-MB+AH3056 | BK = K = коническое отверстие, конус 1:12. D1 = Смазочное отверстие и три отверстия в наружном кольце подшипника. |
| 23056-K-MB-W33+AH3056 | MB = Обработанный латунный сепаратор с внутренним кольцом. KR = коническое отверстие. W33 = Смазочный паз и три отверстия в наружном кольце подшипника. |
| 23056-K-MB-W33+OH3056-H | MB = Обработанный латунный сепаратор с внутренним кольцом. KR = коническое отверстие. W33 = Смазочный паз и три отверстия в наружном кольце подшипника. |
| 23056 CCK/W33 + OH 3056 H | CC = сферический роликоподшипник конструкции C, с улучшенным управлением роликом. K = коническое отверстие, конус 1:12. W33 = Смазочный паз и три отверстия в наружном кольце подшипника. |
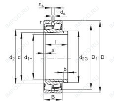
Габаритные размеры
Размеры и геометрические характеристики
Нагрузка и ресурс
Коэффициенты для расчета
Присоединительные размеры
Конструкция и исполнение
Прочие характеристики
Подшипник роликовый радиальный самоцентрирующийся 3013152АМНК (МПЗ)
Подшипник роликовый сферический 3013152 (ГПЗ-11)
Подшипник роликовый сферический 230SM260-MA (FAG)