Главная > Подшипники> Роликовые > Радиальные сферические>22344-E1-K + AH2344

22344-E1-K + AH2344 — Подшипник роликовый самоустанавливающийся, импортное производство по ISO стандарту, размер 200x460x145 номер основного исполнения 22344.
Производитель: FAG.
E1 = Проектирование повышенной емкости.
Цена от:109 032 р.
Цена на подшипник зависит от:
| Обозначение | Модификация |
|---|---|
| 22344 | Основное конструктивное исполнение. |
| 22344R | R = Наружное кольцо с фланцем . |
| 22344E | Е = Увеличенная грузоподъемность. |
| 22344B | B = однокомпонентное ребристое внутреннее кольцо. |
| 22344EK | К = Коническая посадка, конусность 1:12. |
| 22344 K | К = Коническая посадка, конусность 1:12. |
| 22344BK | BK = K = коническое отверстие, конус 1:12. D1 = Смазочное отверстие и три отверстия в наружном кольце подшипника. |
| 22344RK | К = Коническая посадка, конусность 1:12. |
| 22344YMB | MB = Обработанный латунный сепаратор с внутренним кольцом. |
| 22344W33 | W3 = Смазочный паз и три отверстия в наружном кольце подшипника. |
| 22344RHA | R = Наружное кольцо с фланцем . |
| 22344-E1 | E1 = Проектирование повышенной емкости. |
| 22344-MB | MB = Обработанный латунный сепаратор с внутренним кольцом. |
| 22344 VA | V = Увеличенная грузоподъемность, внутренняя модификация конструкции. |
| 22344MW33 | W3 = Смазочный паз и три отверстия в наружном кольце подшипника. |
| 22344RHAK | К = Коническая посадка, конусность 1:12. |
| 22344CAE4 | CA = цельный латунный сепаратор с механической обработкой, двойной зуб, удерживающие фланцы на внутреннем кольце и направляющем кольце, центрированные на внутреннем кольце. Е = увеличенная грузоподъемность. |
| 22344 KVA | К = Коническая посадка, конусность 1:12. |
| 22344 KW33 | K = коническое отверстие, конус 1:12. W33 = Смазочный паз и три отверстия в наружном кольце подшипника. |
| 22344-K-MB | K = коническое отверстие, конус 1:12. М = Механически обработанный латунный сепаратор, центрируемый по роликам. |
| 22344-E1-K | E1 = Проектирование повышенной емкости. |
| 22344CAKE4 | CA = Цельный обработанный латунный сепаратор, двойной зуб, удерживающие фланцы на внутреннем кольце и направляющем кольце, центрированные на внутреннем кольце. |
| 22344 CW33 | W3 = Смазочный паз и три отверстия в наружном кольце подшипника. |
| 22344VMW33 | V = Увеличенная грузоподъемность, внутренняя модификация конструкции. M = обработанная латунная клетка, расположенная на элементах качения. W33 = Смазочный паз и три отверстия в наружном кольце подшипника. |
| 22344 KCW33 | W3 = Смазочный паз и три отверстия в наружном кольце подшипника. |
| 22344MBKW33 | K = коническое отверстие, конус 1:12. W33 = Смазочный паз и три отверстия в наружном кольце подшипника. |
| TL22344CAE4 | CA = цельный латунный сепаратор с механической обработкой, двойной зуб, удерживающие фланцы на внутреннем кольце и направляющем кольце, центрированные на внутреннем кольце. Е = увеличенная грузоподъемность. |
| 22344VMKW33 | K = коническое отверстие, конус 1:12. W33 = Смазочный паз и три отверстия в наружном кольце подшипника. |
| 22344-MB-W33 | MB = Обработанный латунный сепаратор с внутренним кольцом. KR = коническое отверстие. W33 = Смазочный паз и три отверстия в наружном кольце подшипника. |
| 22344 CC/W33 | Радиальный сферический роликоподшипник исполнения С с улучшенным ведением роликов и, благодаря этому, сниженным потерям на трение. |
| TL22344CAKE4 | CA = Цельный обработанный латунный сепаратор, двойной зуб, удерживающие фланцы на внутреннем кольце и направляющем кольце, центрированные на внутреннем кольце. |
| 22344 K.MB.C3 | MB = Механически обработанный латунный сепаратор, центрируемый по внутреннему кольцу. C3 = Радиальный внутренний зазор подшипника больше, чем обычно. |
| 22344 CCK/W33 | CC = сферический роликоподшипник конструкции C, с улучшенным управлением роликом. K = коническое отверстие, конус 1:12. W33 = Смазочный паз и три отверстия в наружном кольце подшипника. |
| 22344-K-MB-W33 | MB = Обработанный латунный сепаратор с внутренним кольцом. KR = коническое отверстие. W33 = Смазочный паз и три отверстия в наружном кольце подшипника. |
| 22344 CC.C3W33 | C3W33 = C3 = Радиальный внутренний зазор больше, чем обычно. W33 = Смазочная канавка и три отверстия в наружном кольце подшипника. |
| 22344 CCK.C3W33 | CC = сферический роликоподшипник конструкции C, с улучшенным управлением роликом. K = коническое отверстие, конус 1:12. C3 = Внутренний зазор больше, чем обычно. W33 = Смазочный паз и три отверстия в наружном кольце подшипника. |
| 22344-A-MA-T41A | MA = Механически обработанный латунный сепаратор, центрируемый по наружному кольцу. |
| 22344-2CS5/VT143 | 2CS = увеличенная грузоподьемность и Резиновые уплотнения с каждой стороны подшипника. |
| 22344-2CS5K/VT143 | 2CS = увеличенная грузоподьемность и Резиновые уплотнения с каждой стороны подшипника. |
| 22344-K-MB+AH2344 | K = коническое отверстие, конус 1:12. М = Механически обработанный латунный сепаратор, центрируемый по роликам. |
| 22344 KCW33+H2344 | W3 = Смазочный паз и три отверстия в наружном кольце подшипника. |
| 22344-E1-JPA-T41A | E1 = Проектирование повышенной емкости. |
| 22344 EKW33+OH2344 | K = коническое отверстие, конус 1:12. W33 = Смазочный паз и три отверстия в наружном кольце подшипника. |
| 22344 KCW33+AH2344 | W3 = Смазочный паз и три отверстия в наружном кольце подшипника. |
| 22344 EKW33+AOH2344 | K = коническое отверстие, конус 1:12. W33 = Смазочный паз и три отверстия в наружном кольце подшипника. |
| 22344 CCJA/W33VA405 | Радиальный сферический роликоподшипник исполнения С с улучшенным ведением роликов и, благодаря этому, сниженным потерям на трение. |
| 22344-E1-K-JPA-T41A | K = коническое отверстие, конусность 1:12. J = Штампованный металлический фиксатор, направляющий элемент качения. |
| 22344-E1-K + H2344X | K = коническое отверстие, конус 1:12. H = высокая, узкая каретка для двухрядного шарикоподшипника и направляющей в сборе. |
| 22344 CCKJA/W33VA405 | CC = сферический роликоподшипник конструкции C, с улучшенным управлением роликом. K = коническое отверстие, конус 1:12. |
| 22344-K-MB-W33+AH2344 | MB = Обработанный латунный сепаратор с внутренним кольцом. KR = коническое отверстие. W33 = Смазочный паз и три отверстия в наружном кольце подшипника. |
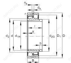
Габаритные размеры
Размеры и геометрические характеристики
Нагрузка и ресурс
Коэффициенты для расчета
Присоединительные размеры
Конструкция и исполнение
Прочие характеристики