Главная > Подшипники> Роликовые > Радиальные сферические>22334-E1-K + H2334

22334-E1-K + H2334 — Подшипник роликовый самоустанавливающийся, импортное производство по ISO стандарту, размер 150x360x120 номер основного исполнения 22334.
Производитель: FAG.
K = коническое отверстие, конус 1:12. H = высокая, узкая каретка для двухрядного шарикоподшипника и направляющей в сборе.
Цена от:64 614 р.
Цена на подшипник зависит от:
| Обозначение | Модификация |
|---|---|
| 22334 | Основное конструктивное исполнение. |
| 22334E | Е = Увеличенная грузоподъемность. |
| 22334K | К = Коническая посадка, конусность 1:12. |
| 22334B | B = однокомпонентное ребристое внутреннее кольцо. |
| 22334R | R = Наружное кольцо с фланцем . |
| 22334C | С = Необслуживаемые концы стержней, внутренняя резьба. |
| 22334EK | К = Коническая посадка, конусность 1:12. |
| 22334MB | MB = Обработанный латунный сепаратор с внутренним кольцом. |
| 22334BK | BK = K = коническое отверстие, конус 1:12. D1 = Смазочное отверстие и три отверстия в наружном кольце подшипника. |
| 22334CK | К = Коническая посадка, конусность 1:12. |
| 22334RK | К = Коническая посадка, конусность 1:12. |
| 22334-E1 | E1 = Проектирование повышенной емкости. |
| 22334 VA | V = Увеличенная грузоподъемность, внутренняя модификация конструкции. |
| 22334MBK | BK = K = коническое отверстие, конус 1:12. D1 = Смазочное отверстие и три отверстия в наружном кольце подшипника. |
| 22334RHA | R = Наружное кольцо с фланцем . |
| 22334W33 | W3 = Смазочный паз и три отверстия в наружном кольце подшипника. |
| 22334CAE4 | CA = цельный латунный сепаратор с механической обработкой, двойной зуб, удерживающие фланцы на внутреннем кольце и направляющем кольце, центрированные на внутреннем кольце. Е = увеличенная грузоподъемность. |
| 22334 KVA | К = Коническая посадка, конусность 1:12. |
| 22334RHAK | К = Коническая посадка, конусность 1:12. |
| 22334MW33 | W3 = Смазочный паз и три отверстия в наружном кольце подшипника. |
| 22334EMW33 | E = Увеличенная грузоподъемность. М = Механически обработанный латунный сепаратор, центрируемый по роликам. W33 = Смазочный паз и три отверстия в наружном кольце подшипника. |
| 22334-K-MB | K = коническое отверстие, конус 1:12. М = Механически обработанный латунный сепаратор, центрируемый по роликам. |
| 22334CKW33 | K = коническое отверстие, конус 1:12. W33 = Смазочный паз и три отверстия в наружном кольце подшипника. |
| 22334 KW33 | K = коническое отверстие, конус 1:12. W33 = Смазочный паз и три отверстия в наружном кольце подшипника. |
| 22334CAKE4 | CA = Цельный обработанный латунный сепаратор, двойной зуб, удерживающие фланцы на внутреннем кольце и направляющем кольце, центрированные на внутреннем кольце. |
| 22334EVBC4 | EVB = Вибрационные подшипники повышенной емкости. C4 = Радиальный внутренний зазор подшипника больше, чем C3. |
| 22334 CW33 | W3 = Смазочный паз и три отверстия в наружном кольце подшипника. |
| 22334-E1-K | E1 = Проектирование повышенной емкости. |
| 22334UAVS2 | S2 = Кольца подшипника стабилизированы для рабочих температур до + 250 С. |
| 22334EF802 | Механически обработанный сепаратор из стали или чугуна, центрируемый по телам качения. |
| 22334EF800 | Механически обработанный сепаратор из стали или чугуна, центрируемый по телам качения. |
| 22334 MB.C3 | MB = Механически обработанный латунный сепаратор, центрируемый по внутреннему кольцу. C3 = Радиальный внутренний зазор подшипника больше, чем обычно. |
| 22334EMKW33 | K = коническое отверстие, конус 1:12. W33 = Смазочный паз и три отверстия в наружном кольце подшипника. |
| 22334 CAME4 | CAM = цельный латунный сепаратор, направляющее кольцо. E4 = смазочный паз и три отверстия в наружном кольце подшипника. |
| 22334 KCW33 | W3 = Смазочный паз и три отверстия в наружном кольце подшипника. |
| TL22334CAE4 | CA = цельный латунный сепаратор с механической обработкой, двойной зуб, удерживающие фланцы на внутреннем кольце и направляющем кольце, центрированные на внутреннем кольце. Е = увеличенная грузоподъемность. |
| 22334EKF800 | К = Коническая посадка, конусность 1:12. |
| 22334-MB-W33 | MB = Обработанный латунный сепаратор с внутренним кольцом. KR = коническое отверстие. W33 = Смазочный паз и три отверстия в наружном кольце подшипника. |
| TL22334CAKE4 | CA = Цельный обработанный латунный сепаратор, двойной зуб, удерживающие фланцы на внутреннем кольце и направляющем кольце, центрированные на внутреннем кольце. |
| 22334 CC/W33 | Радиальный сферический роликоподшипник исполнения С с улучшенным ведением роликов и, благодаря этому, сниженным потерям на трение. |
| 22334 ACMW33 | AC = 25 градусов угол контакта. M = массивный латунный сепаратор. |
| 22334 K.MB.C3 | MB = Механически обработанный латунный сепаратор, центрируемый по внутреннему кольцу. C3 = Радиальный внутренний зазор подшипника больше, чем обычно. |
| 22334 E1.K.C3 | K = коническое отверстие, конус 1:12. C3 = Радиальный внутренний зазор подшипника больше, чем обычно. |
| 22334 ACKMW33 | K = коническое отверстие, конус 1:12. М = Механически обработанный латунный сепаратор, центрируемый по роликам. |
| 22334 ACMAW33 | AC = 25 градусов угол контакта. M = массивный латунный сепаратор. |
| 22334 CCK/W33 | CC = сферический роликоподшипник конструкции C, с улучшенным управлением роликом. K = коническое отверстие, конус 1:12. W33 = Смазочный паз и три отверстия в наружном кольце подшипника. |
| 22334 CAME4C3 | CAM = цельный латунный сепаратор, направляющее кольцо. E4 = смазочный паз и три отверстия в наружном кольце подшипника. |
| 22334 ACKMAW33 | K = коническое отверстие, конус 1:12. MA = обработанная латунная клетка с наружным кольцом. |
| 22334-K-MB-W33 | MB = Обработанный латунный сепаратор с внутренним кольцом. KR = коническое отверстие. W33 = Смазочный паз и три отверстия в наружном кольце подшипника. |
| 22334 CAMKE4.C3 | CAM = цельный латунный сепаратор, направляющее кольцо. K = коническое отверстие, конус 1:12. E4 = смазочный паз и три отверстия в наружном кольце подшипника. |
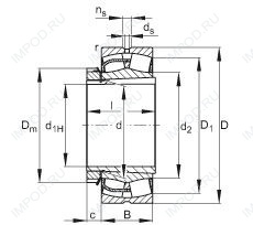
Габаритные размеры
Размеры и геометрические характеристики
Нагрузка и ресурс
Коэффициенты для расчета
Присоединительные размеры
Конструкция и исполнение
Прочие характеристики
Подшипник роликовый радиальный сферический двухрядный с закрепительной втулкой 13630 А (ГПЗ-11)
Подшипник роликовый радиальный сферический двухрядный с закрепительной втулкой 13630 (ГПЗ-11)
Подшипник роликовый радиальный самоцентрирующийся 13630АМНК (МПЗ)
Подшипник роликовый радиальный самоцентрирующийся 353630
Подшипник роликовый радиальный двухрядный сферический с закрепительной втулкой 353630Н