Главная > Двухрядные>22315 E1A.M.C3

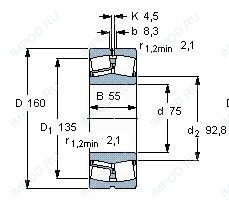
22315 E1A.M.C3 — Подшипник роликовый сферический, импортное производство по ISO стандарту, размер 75x160x55 номер основного исполнения 22315.
Производитель: SKF.
M = Цельный латунный сепаратор, с шариковой направляющей. C3 = Радиальный внутренний зазор подшипника больше, чем обычно.
Цена от:6 131 р.
Цена на подшипник зависит от:
| Обозначение | Модификация |
|---|---|
| 22315 | Основное конструктивное исполнение. |
| 22315B | B = однокомпонентное ребристое внутреннее кольцо. |
| 22315C | С = Необслуживаемые концы стержней, внутренняя резьба. |
| 22315EX | X = Внешние размеры, соответствующие международным стандартам. |
| 22315CK | К = Коническая посадка, конусность 1:12. |
| 22315YM | Y = Штампованный латунный сепаратор, центрируемый по телам качения. |
| 22315 K | К = Коническая посадка, конусность 1:12. |
| 22315EM | E = Увеличенная грузоподъемность. М = Механически обработанный латунный сепаратор, центрируемый по роликам. |
| 22315CJ | С = Необслуживаемые концы стержней, внутренняя резьба. |
| 22315MB | MB = Обработанный латунный сепаратор с внутренним кольцом. |
| 22315BK | BK = K = коническое отверстие, конус 1:12. D1 = Смазочное отверстие и три отверстия в наружном кольце подшипника. |
| 22315 E | Е = Увеличенная грузоподъемность. |
| 22315AEX | A = внутренняя модификация конструкции. |
| 22315RHR | R = Наружное кольцо с фланцем . |
| 22315EXK | К = Коническая посадка, конусность 1:12. |
| 22315 EK | К = Коническая посадка, конусность 1:12. |
| 22315-E1 | E1 = Проектирование повышенной емкости. |
| 22315 VA | V = Увеличенная грузоподъемность, внутренняя модификация конструкции. |
| 22315W33 | W3 = Смазочный паз и три отверстия в наружном кольце подшипника. |
| 22315AEXK | К = Коническая посадка, конусность 1:12. |
| 22315RHRK | К = Коническая посадка, конусность 1:12. |
| 22315-2RS | Резиновые уплотнения с каждой стороны подшипника. |
| 22315 KVA | К = Коническая посадка, конусность 1:12. |
| 22315EAE4 | A = внутренняя модификация конструкции. |
| 22315MW33 | W3 = Смазочный паз и три отверстия в наружном кольце подшипника. |
| 22315 CW33 | W3 = Смазочный паз и три отверстия в наружном кольце подшипника. |
| 22315EMW33 | E = Увеличенная грузоподъемность. М = Механически обработанный латунный сепаратор, центрируемый по роликам. W33 = Смазочный паз и три отверстия в наружном кольце подшипника. |
| 22315EAW33 | W3 = Смазочный паз и три отверстия в наружном кольце подшипника. |
| 22315UAVS2 | S2 = Кольца подшипника стабилизированы для рабочих температур до + 250 С. |
| 22315EF800 | Механически обработанный сепаратор из стали или чугуна, центрируемый по телам качения. |
| 22315 KW33 | K = коническое отверстие, конус 1:12. W33 = Смазочный паз и три отверстия в наружном кольце подшипника. |
| 22315EF801 | Механически обработанный сепаратор из стали или чугуна, центрируемый по телам качения. |
| 22315CKW33 | K = коническое отверстие, конус 1:12. W33 = Смазочный паз и три отверстия в наружном кольце подшипника. |
| 22315EVBC4 | EVB = Вибрационные подшипники повышенной емкости. C4 = Радиальный внутренний зазор подшипника больше, чем C3. |
| 22315 E.C3 | E = d ≤65 мм, две стальные клетки оконного типа, внутреннее кольцо без фланца и направляющая по центру внутреннего кольца. Когда d 65 мм То же, что и |
| 22315-E1-K | E1 = Проектирование повышенной емкости. |
| 22315EMKW33 | K = коническое отверстие, конус 1:12. W33 = Смазочный паз и три отверстия в наружном кольце подшипника. |
| 22315EKF800 | К = Коническая посадка, конусность 1:12. |
| 22315EAKW33 | K = коническое отверстие, конус 1:12. W33 = Смазочный паз и три отверстия в наружном кольце подшипника. |
| 22315MBKW33 | K = коническое отверстие, конус 1:12. W33 = Смазочный паз и три отверстия в наружном кольце подшипника. |
| 22315 KCW33 | W3 = Смазочный паз и три отверстия в наружном кольце подшипника. |
| 22315-E-W33 | W3 = Смазочный паз и три отверстия в наружном кольце подшипника. |
| 22315 MBW33 | MB = Обработанный латунный сепаратор с внутренним кольцом. KR = коническое отверстие. W33 = Смазочный паз и три отверстия в наружном кольце подшипника. |
| 22315 EAKE4 | К = Коническая посадка, конусность 1:12. |
| 22315L12CAM | CA = Цельный обработанный латунный сепаратор, двойной зуб, удерживающие фланцы на внутреннем кольце и направляющем кольце, центрированные на внутреннем кольце. |
| 22315EG15W33 | E = Увеличенная грузоподъемность. G15 = Формованная литьевая клетка из армированного стекловолокном полиамида 6,6, с вращающимся элементом по центру. |
| 22315 KMBW33 | MB = Обработанный латунный сепаратор с внутренним кольцом. KR = коническое отверстие. W33 = Смазочный паз и три отверстия в наружном кольце подшипника. |
| 22315-E-K-W33 | K = коническое отверстие, конус 1:12. W33 = Смазочный паз и три отверстия в наружном кольце подшипника. |
| 22315EG15KW33 | K = коническое отверстие, конус 1:12. W33 = Смазочный паз и три отверстия в наружном кольце подшипника. |
| 22315 E (ISO) | S = смазочный паз и три отверстия в наружном кольце подшипника. |
Габаритные размеры
Конструкция и исполнение
Однорядный цилиндрический роликовый подшипник NU2315 (CYSD, FAG, FBJ, ISB, ISO)
Однорядный цилиндрический роликовый подшипник NJ2315 (CYSD, FAG, FBJ, ISB, ISO)
Однорядный цилиндрический роликовый подшипник NUP2315 (CYSD, FBJ, ISB, ISO, KOYO)
Подшипник шариковый двухрядный самоустанавливающийся 2315 (AST, CRAFT, CX, ISB, ISO)
Подшипник роликовый радиальный сферический двухрядный с бортиками на внутреннем кольце с коническим отверстием внутреннего кольца, конусностью 1:12 113615
Однорядный цилиндрический роликовый подшипник NU2315 E.M1 (FAG)