Главная > Двухрядные>22217 E1A.K.M.C3

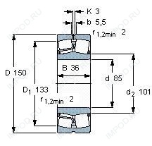
22217 E1A.K.M.C3 — Подшипник роликовый сферический, импортное производство по ISO стандарту, размер 85x150x36 номер основного исполнения 22217.
Производитель: IBC.
M = Цельный латунный сепаратор, с шариковой направляющей. C3 = Радиальный внутренний зазор подшипника больше, чем обычно.
Цена от:4 559 р.
Цена на подшипник зависит от:
| Обозначение | Модификация |
|---|---|
| 22217 | Основное конструктивное исполнение. |
| 22217C | С = Необслуживаемые концы стержней, внутренняя резьба. |
| 22217EX | X = Внешние размеры, соответствующие международным стандартам. |
| 22217CJ | С = Необслуживаемые концы стержней, внутренняя резьба. |
| 22217YM | Y = Штампованный латунный сепаратор, центрируемый по телам качения. |
| 22217 E | Е = Увеличенная грузоподъемность. |
| 22217 K | К = Коническая посадка, конусность 1:12. |
| 22217CK | К = Коническая посадка, конусность 1:12. |
| 22217MB | MB = Обработанный латунный сепаратор с внутренним кольцом. |
| 22217EXK | К = Коническая посадка, конусность 1:12. |
| 22217AEX | A = внутренняя модификация конструкции. |
| 22217W33 | W3 = Смазочный паз и три отверстия в наружном кольце подшипника. |
| 22217 EK | К = Коническая посадка, конусность 1:12. |
| 22217RHR | R = Наружное кольцо с фланцем . |
| 22217MBK | BK = K = коническое отверстие, конус 1:12. D1 = Смазочное отверстие и три отверстия в наружном кольце подшипника. |
| 22217CW7 | С = Необслуживаемые концы стержней, внутренняя резьба. |
| 22217-E1 | E1 = Проектирование повышенной емкости. |
| 22217AEXK | К = Коническая посадка, конусность 1:12. |
| 22217MW33 | W3 = Смазочный паз и три отверстия в наружном кольце подшипника. |
| 22217RHRK | К = Коническая посадка, конусность 1:12. |
| LH-22217B | B = однокомпонентное ребристое внутреннее кольцо. |
| 22217-2RS | Резиновые уплотнения с каждой стороны подшипника. |
| LH-22217E | Е = Увеличенная грузоподъемность. |
| 22217EAE4 | A = внутренняя модификация конструкции. |
| 22217-E1-K | E1 = Проектирование повышенной емкости. |
| 22217CKW33 | K = коническое отверстие, конус 1:12. W33 = Смазочный паз и три отверстия в наружном кольце подшипника. |
| LH-22217EK | К = Коническая посадка, конусность 1:12. |
| LH-22217BK | BK = K = коническое отверстие, конус 1:12. D1 = Смазочное отверстие и три отверстия в наружном кольце подшипника. |
| 22217 CW33 | W3 = Смазочный паз и три отверстия в наружном кольце подшипника. |
| 22217EMW33 | E = Увеличенная грузоподъемность. М = Механически обработанный латунный сепаратор, центрируемый по роликам. W33 = Смазочный паз и три отверстия в наружном кольце подшипника. |
| 22217EAW33 | W3 = Смазочный паз и три отверстия в наружном кольце подшипника. |
| 22217-2RSK | Резиновые уплотнения с каждой стороны подшипника. |
| 22217 E.C3 | E = d ≤65 мм, две стальные клетки оконного типа, внутреннее кольцо без фланца и направляющая по центру внутреннего кольца. Когда d 65 мм То же, что и |
| 22217EAKE4 | К = Коническая посадка, конусность 1:12. |
| 22217 KW33 | K = коническое отверстие, конус 1:12. W33 = Смазочный паз и три отверстия в наружном кольце подшипника. |
| 22217 EKC3 | K = коническое отверстие, конус 1:12. C3 = Радиальный внутренний зазор подшипника больше, чем обычно. |
| 22217 KCW33 | W3 = Смазочный паз и три отверстия в наружном кольце подшипника. |
| 22217-E-W33 | W3 = Смазочный паз и три отверстия в наружном кольце подшипника. |
| 22217EAKW33 | K = коническое отверстие, конус 1:12. W33 = Смазочный паз и три отверстия в наружном кольце подшипника. |
| 22217MBKW33 | K = коническое отверстие, конус 1:12. W33 = Смазочный паз и три отверстия в наружном кольце подшипника. |
| 22217EMKW33 | K = коническое отверстие, конус 1:12. W33 = Смазочный паз и три отверстия в наружном кольце подшипника. |
| 22217L12CAM | CA = Цельный обработанный латунный сепаратор, двойной зуб, удерживающие фланцы на внутреннем кольце и направляющем кольце, центрированные на внутреннем кольце. |
| 22217 MBW33 | MB = Обработанный латунный сепаратор с внутренним кольцом. KR = коническое отверстие. W33 = Смазочный паз и три отверстия в наружном кольце подшипника. |
| 22217 E1.C3 | C3 = Радиальный внутренний зазор больше нормального. |
| 22217 KMBW33 | MB = Обработанный латунный сепаратор с внутренним кольцом. KR = коническое отверстие. W33 = Смазочный паз и три отверстия в наружном кольце подшипника. |
| 22217EG15W33 | E = Увеличенная грузоподъемность. G15 = Формованная литьевая клетка из армированного стекловолокном полиамида 6,6, с вращающимся элементом по центру. |
| 22217 CJ.W33 | W3 = Смазочный паз и три отверстия в наружном кольце подшипника. |
| 22217EG15KW33 | K = коническое отверстие, конус 1:12. W33 = Смазочный паз и три отверстия в наружном кольце подшипника. |
| 22217-E-K-W33 | K = коническое отверстие, конус 1:12. W33 = Смазочный паз и три отверстия в наружном кольце подшипника. |
| 22217 EAKE4C3 | EA = большая емкость, лучше, чем прежний суффикс E. K = коническое отверстие, конус 1:12.E4 = (W33 = SKF) = смазочный паз и три отверстия в наружном кольце подшипника.C3 = Радиальный внутренний зазор больше, чем обычно. |
Габаритные размеры
Конструкция и исполнение
Однорядный цилиндрический роликовый подшипник NJ2217 (FAG, FBJ, ISB, ISO, KOYO)
Однорядный цилиндрический роликовый подшипник NU2217 (FAG, FBJ, ISB, ISO, KOYO)
Однорядный цилиндрический роликовый подшипник NUP2217 (FAG, FBJ, ISB, ISO, KOYO)
Подшипник шариковый двухрядный самоустанавливающийся 2217 (AST, CRAFT, CX, ISB, ISO)
Подшипник шариковый радиальный сферический двухрядный с цилиндрическим отверстием внутреннего кольца 15-17 (ГПЗ-4)
Однорядный цилиндрический роликовый подшипник NJ2217 E.M1 (FAG)