Главная > Подшипник 206 Б1Т2

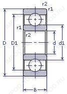
206 Б1Т2 — отечественное производство по ГОСТ стандарту, размер 30x62x16 номер основного исполнения 206.
Производитель: INA.
Б = Бронзовый сепаратор. 3 = Измененная конструкция сепаратора. Т2 = Температура отпуска колец 250 градусов, номинальная температура работы подшипника 200 градусов.
Цена по запросу
Цена на подшипник зависит от:
| Обозначение | Модификация |
|---|---|
| 206 | Основное конструктивное исполнение. |
| 206K | К = Коническая посадка, конусность 1:12. |
| 206 А | А = Подшипник повышенной грузоподьемности. ГОСТ |
| 206 Ю | Ю - Подшипник выполнен из нержавеющей стали. |
| 206 A | A = внутренняя модификация конструкции. |
| 206AK | К = Коническая посадка, конусность 1:12. |
| 206E5 | Е = Увеличенная грузоподъемность. |
| 206 Л | Л = Латунный сепаратор. |
| 206 К | К = Конструктивное изменение зависящее от типа подшипника. |
| 206 Д | Д = сепаратор или другие части подшипника из аллюминевого сплава. |
| 6-206 | |
| 206 Р1 | Р = Детали подшипника из теплостойких (быстрорежущих) сталей. |
| 206 Р7 | Р = Детали подшипника из теплостойких (быстрорежущих) сталей. |
| 206 Э1 | Э = детали подшипников из стали ХШ со специальными присадками. |
| 206 БТ | Б = Бронзовый сепаратор. Т = Температура отпуска колец 200 градусов, номинальная температура работы подшипника 160 градусов. |
| 6-206Е | E = Угол контакта 25 градусов. |
| 206 АЕ | А = Увеличенная грузоподъемность подшипника. Е = Сепаратор из пластического материала (Текстолит, полиамид и т.д.). |
| 206 К1 | К1 = Конструктивное изменение зависящее от типа подшипника. |
| 70-206 | |
| 206 АК | А = Увеличенная грузоподемность подшипника. К = Конструктивное изменение зависящее от типа подшипника. |
| 206 Е5 | Е5 = Сепаратор из пластического материала (Текстолит, полиамид и т.д.) с изменением конструкции сепаратора. |
| 206 Б1 | Б = Бронзовый сепаратор. 1 = Измененная конструкция сепаратора. |
| 5-206 Б | Б = Бронзовый сепаратор. |
| 206 КШ1 | К = Конструктивное изменение зависящее от типа подшипника. Ш1 = Пониженые уровни вибрации и шума. |
| 206 С17 | С17 = В подшипнике используется смазка многоцелевого назначения ЛИТОЛ-24. Температурный режим от - 40 до +120. |
| 2-206 К | К = Конструктивное изменение зависящее от типа подшипника. |
| 4-206 Е | E = Угол контакта 25 градусов. |
| 4-206 К | К = Конструктивное изменение зависящее от типа подшипника. |
| 8-206 А | А = Подшипник повышенной грузоподьемности. ГОСТ |
| 206 АС3 | С3 = В подшипнике используется смазка ВНИИНП-210 для тяжелонагруженных тихоходных подшипников. Температурный режим от - 60 до +250. |
| 6-206 А | А = Подшипник повышенной грузоподьемности. ГОСТ |
| 6-206 К | К = Конструктивное изменение зависящее от типа подшипника. |
| 6-206 Ю | Ю - Подшипник выполнен из нержавеющей стали. |
| 206 АЕ5 | А = Увеличенная грузоподъемность подшипника. Е5 = Сепаратор из пластического материала (Текстолит, полиамид и т.д.). |
| 5-206 Д | Д = сепаратор или другие части подшипника из аллюминевого сплава. |
| 5-206 К | К = Конструктивное изменение зависящее от типа подшипника. |
| 5-206 Ю | Ю - Подшипник выполнен из нержавеющей стали. |
| 5-206 Б1 | Б = Бронзовый сепаратор. 1 = Измененная конструкция сепаратора. |
| 35-206 Д | Д = сепаратор или другие части подшипника из аллюминевого сплава. |
| 76-206 А | А = Подшипник повышенной грузоподьемности. ГОСТ |
| 5-206 АК | А = Увеличенная грузоподемность подшипника. К = Конструктивное изменение зависящее от типа подшипника. |
| 35-206 Р | Р = Детали подшипника из теплостойких (быстрорежущих) сталей. |
| 5-206 Р1 | Р = Детали подшипника из теплостойких (быстрорежущих) сталей. |
| 5-206 Р2 | Р2 = Детали подшипника из теплостойких (быстрорежущих) сталей. |
| 6-206 Е5 | Е5 = Сепаратор из пластического материала (Текстолит, полиамид и т.д.) с изменением конструкции сепаратора. |
| 4-206 АК | А = Увеличенная грузоподемность подшипника. К = Конструктивное изменение зависящее от типа подшипника. |
| 76-206 К | К = Конструктивное изменение зависящее от типа подшипника. |
| 05-206 К | К = Конструктивное изменение зависящее от типа подшипника. |
| 6-206 АК | А = Увеличенная грузоподемность подшипника. К = Конструктивное изменение зависящее от типа подшипника. |
| 4-206 Е5 | Е5 = Сепаратор из пластического материала (Текстолит, полиамид и т.д.) с изменением конструкции сепаратора. |
Габаритные размеры
Размеры и геометрические характеристики
Нагрузка и ресурс
Конструкция и исполнение
Подшипник шариковый радиальный сферический двухрядный с цилиндрическим отверстием внутреннего кольца 5-1206 (ГПЗ-2)
Подшипник роликовый сферический 20206 (FAG, ISO, SIGMA)
Подшипник шариковый радиальный сферический двухрядный с цилиндрическим отверстием внутреннего кольца 1206
Подшипник роликовый радиальный с короткими цилиндрическими роликами без бортов на наружном кольце 2206
Подшипник шариковый радиальный однорядный с односторонним уплотнением 160206 (ГПЗ-3)