Главная > Подшипники> Роликовые > Радиально-упорные>19150R/19282

19150R/19282 — Подшипник роликовый радиально-упорный, импортное производство по ISO стандарту, размер 38x280x16 номер основного исполнения .
Производитель: KOYO.
R = Наружное кольцо с фланцем .
Цена от:637 р.
Цена на подшипник зависит от:
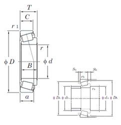
Габаритные размеры
Размеры и геометрические характеристики
Нагрузка и ресурс
Защита
Коэффициенты для расчета
Присоединительные размеры
Конструкция и исполнение
Подшипник роликовый радиально-упорный 19150R/19269 (KOYO)
Подшипник роликовый радиально-упорный 19150R/19268X (KOYO)