Главная > Подшипники> Роликовые > Радиально-упорные>19150R/19268X

19150R/19268X — Подшипник роликовый радиально-упорный, импортное производство по ISO стандарту, размер 38x280x16 номер основного исполнения .
Производитель: KOYO.
X = Внешние размеры, соответствующие международным стандартам.
Цена от:2 951 р.
Цена на подшипник зависит от:
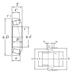
Габаритные размеры
Размеры и геометрические характеристики
Нагрузка и ресурс
Защита
Коэффициенты для расчета
Присоединительные размеры
Конструкция и исполнение
Подшипник роликовый радиально-упорный 19150R/19282 (KOYO)
Подшипник роликовый радиально-упорный 19150R/19269 (KOYO)