Главная > Подшипники> Шариковые> Радиальные сферические>160306А

160306А — Подшипник шариковый радиальный, отечественное производство по ГОСТ стандарту, размер 30x72x19 номер основного исполнения 160306.
Производитель: МПЗ.
А = Подшипник повышенной грузоподьемности. ГОСТ
Цена по запросу
Цена на подшипник зависит от:
| Обозначение | Модификация |
|---|---|
| 160306 | Основное конструктивное исполнение. |
| 160306 К | К = Конструктивное изменение зависящее от типа подшипника. |
| 160306 АК | А = Увеличенная грузоподемность подшипника. К = Конструктивное изменение зависящее от типа подшипника. |
| 6-160306 К | К = Конструктивное изменение зависящее от типа подшипника. |
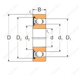
Габаритные размеры
Размеры и геометрические характеристики
Нагрузка и ресурс
Защита
Присоединительные размеры
Конструкция и исполнение
Однорядный цилиндрический роликовый подшипник NU306 (CRAFT, FAG, FBJ, ISB, ISO)
Однорядный цилиндрический роликовый подшипник NJ306 (CRAFT, FAG, FBJ, ISB, ISO)
Подшипник шариковый радиальный 6-306
Подшипник роликовый сферический 20306 (FAG, ISO, SIGMA)
Подшипник роликовый сферический 21306 (ISB, SKF)
Подшипник шариковый радиальный сферический двухрядный с цилиндрическим отверстием внутреннего кольца 1306