Главная > Подшипники> Роликовые > Радиально-упорные>14125A/1426

14125A/1426 — Конический роликоподшипник дюймовая серия, импортное производство по ISO стандарту, размер 31x69x19 номер основного исполнения .
Производитель: AST.
A1 = Конический роликовый подшипник однорядный
Цена по запросу
Цена на подшипник зависит от:
Габаритные размеры
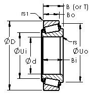
Размеры и геометрические характеристики
Присоединительные размеры
Конструкция и исполнение
Прочие характеристики
Подшипник роликовый радиально-упорный 1007806A (EPK)
Подшипник роликовый радиально-упорный 14125/14274A (KOYO)
Однорядный конический роликовый подшипник 14124/14276 (CX, FBJ, ISO, TIMKEN)
Однорядный конический роликовый подшипник 14125A/14276 (CX, FBJ, Fersa, ISO, NACHI)
Однорядный конический роликовый подшипник 14125A/14274 (Fersa, NACHI, TIMKEN)
Однорядный конический роликовый подшипник 14125A/14276-B (TIMKEN)