Главная > Подшипники> Роликовые > Радиально-упорные>14124/14276

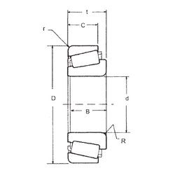
14124/14276 — Однорядный конический роликовый подшипник, импортное производство по ISO стандарту, размер 31x69x19 номер основного исполнения .
Производится брендами: CX, FBJ, ISO, TIMKEN.
Цена от:1 214 р.
Цена на подшипник зависит от:
Габаритные размеры
Размеры и геометрические характеристики
Нагрузка и ресурс
Защита
Коэффициенты для расчета
Присоединительные размеры
Конструкция и исполнение
Подшипник роликовый радиально-упорный 1007806A (EPK)
Подшипник роликовый радиально-упорный 14125/14274A (KOYO)
Конический роликоподшипник дюймовая серия 14125A/1426 (AST)
Однорядный конический роликовый подшипник 14125A/14276 (CX, FBJ, Fersa, ISO, NACHI)
Однорядный конический роликовый подшипник 14125A/14274 (Fersa, NACHI, TIMKEN)
Однорядный конический роликовый подшипник 14125A/14276-B (TIMKEN)