Главная > Подшипники> Шариковые> Радиальные сферические>1306K

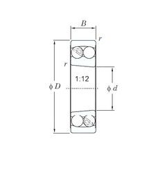
1306K — Подшипник шариковый двухрядный самоустанавливающийся, импортное производство по ISO стандарту, размер 30x72x19 номер основного исполнения 1306.
Производится брендами: CX, ISO, KOYO, NACHI, NIS, NKE, NSK, SNR.
К = Коническая посадка, конусность 1:12.
Цена от:455 р.
Цена на подшипник зависит от:
| Обозначение | Модификация |
|---|---|
| 1306 | Основное конструктивное исполнение. |
| 1306S | S = смазочный паз и три отверстия в наружном кольце подшипника. |
| 8-1306 | |
| 1306SK | S = смазочная канавка и три отверстия в наружном кольце подшипника. K = коническое отверстие, конус 1:12. |
| 1306 C3 | C3 = Радиальный внутренний зазор больше нормального. |
| 1306 TVH | TV = Твердая клетка из армированного стекловолокном полиамида, шариковая езда. |
| 1306 TN9 | TN = Полиамидная клетка. |
| 1306ETN9 | E = Оптимизированный внутренний дизайн. TN9 = литая защелкивающаяся клетка из полиамида 6,6, армированного стекловолокном, с шариковой центрировкой. |
| 1306 KTN9 | K = коническое отверстие, конус 1:12. T = Литая защелкивающаяся сепаратор из армированного стекловолокном полиамида. |
| 1306 EKTN9 | E = Увеличенная грузоподъемность. K = коническое отверстие, конус 1:12. TN9 = литая защелкивающаяся клетка из полиамида 6,6, армированного стекловолокном, с шариковой центрировкой. |
| 1306 TNGC3 | TNG = Клетка из армированного стекловолокном полиамида 66. C3 = Радиальный внутренний зазор больше нормального. |
| 1306 TVH.C3 | C3 = Радиальный внутренний зазор больше нормального. |
| 1306 (1306) | |
| 1306-K+H306 | K = коническое отверстие, конус 1:12. H = высокая, узкая каретка для двухрядного шарикоподшипника и направляющей в сборе. |
| 1306 K.TVH.C3 | C3 = Радиальный внутренний зазор больше нормального. |
| 1306 KTN9+H306 | K = коническое отверстие, конус 1:12. T = Литая защелкивающаяся сепаратор из армированного стекловолокном полиамида. |
| 1306-K-TVH-C3 + H306 | C3 = Радиальный внутренний зазор больше нормального. |
| Техника | Модель | Агрегат |
|---|---|---|
| Платформа-подборщик копнитель | ПК-1.6А | Вал транспортера |
| Платформа-подборщик копнитель | ПК-1.6А | Вальцы |
| Платформа-подборщик копнитель | ПК-1.6А | Передача на копнитель |
| Опрыскиватель малообъемный | 3411040 | Привод |
| Пункт картофелесортировальный с переборочными столами | КСП-25 | Сепаратор игольчатый 3614010-04.000/барабан игольчатый |
| Пункт картофелесортировальный с переборочными столами | КСП-25 | Сепаратор игольчатый 3614010-04.000/барабан поджимной |
| Пункт картофелесортировальный с переборочными столами | КСП-25 | Сепаратор игольчатый 3614010-04.000/барабан прутковый |
| Пункт картофелесортировальный с переборочными столами | КСП-25 | Сепаратор игольчатый 3614010-04.000/вал ведущий |
| Трактор | Т-16 самоходное шасси | Система рулевого управления |
| Трактор | Т-16 | Система рулевого управления |
| Копатель кормовых корнеплодов грохотный | ККГ-1.4 | Транспортер выгрузной/вал ведущий |
| Копатель кормовых корнеплодов грохотный | ККГ-1.4 | Транспортер выгрузной/вал привода верхний |
| Копатель кормовых корнеплодов грохотный | ККГ-1.4 | Транспортер выгрузной/вал привода нижний |
Габаритные размеры
Размеры и геометрические характеристики
Нагрузка и ресурс
Защита
Коэффициенты для расчета
Присоединительные размеры
Конструкция и исполнение
Прочие характеристики
Однорядный цилиндрический роликовый подшипник NU306 (CRAFT, FAG, FBJ, ISB, ISO)
Однорядный цилиндрический роликовый подшипник NJ306 (CRAFT, FAG, FBJ, ISB, ISO)
Подшипник шариковый радиальный 6-306
Подшипник роликовый сферический 20306 (FAG, ISO, SIGMA)
Подшипник роликовый сферический 21306 (ISB, SKF)
Подшипник роликовый радиально-упорный 32306 (ГПЗ-4)