Главная > Подшипники> Шариковые> Радиальные сферические>1220-M

1220-M — Подшипник шариковый двухрядный самоустанавливающийся, импортное производство по ISO стандарту, размер 100x180x34 номер основного исполнения 1220.
Производитель: FAG.
M = массивный латунный сепаратор.
Цена от:6 145 р.
Цена на подшипник зависит от:
| Обозначение | Модификация |
|---|---|
| 1220 | Основное конструктивное исполнение. |
| 1220S | S = смазочный паз и три отверстия в наружном кольце подшипника. |
| 1220-K | К = Коническая посадка, конусность 1:12. |
| 1220SK | S = смазочная канавка и три отверстия в наружном кольце подшипника. K = коническое отверстие, конус 1:12. |
| 1220-K-M-C3 | M = Цельный латунный сепаратор, с шариковой направляющей. C3 = Радиальный внутренний зазор подшипника больше, чем обычно. |
| 1220-K-M-C3 + H220 | M = Цельный латунный сепаратор, с шариковой направляющей. C3 = Радиальный внутренний зазор подшипника больше, чем обычно. |
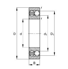
Габаритные размеры
Размеры и геометрические характеристики
Нагрузка и ресурс
Коэффициенты для расчета
Присоединительные размеры
Однорядный цилиндрический роликовый подшипник NJ220 (CRAFT, FAG, FBJ, ISB, ISO)
Однорядный цилиндрический роликовый подшипник NU220 (CRAFT, FAG, FBJ, ISB, ISO)
Подшипник шариковый радиальный 6-220 (ГПЗ-3)
Подшипник роликовый сферический 20220 (FAG, ISO)
Подшипник роликовый радиальный с короткими цилиндрическими роликами без бортов на наружном кольце 2220 (ГПЗ-4)