Главная > Подшипники> Шариковые> Упорные>ZKLN5090-2RS

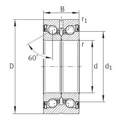
ZKLN5090-2RS — Шариковый радиально-упорный подшипник двойного направления, импортное производство по ISO стандарту, размер 50x90x34 номер основного исполнения .
Производитель: INA.
Резиновые уплотнения с каждой стороны подшипника.
Цена от:16 386 р.
Цена на подшипник зависит от:
Габаритные размеры
Размеры и геометрические характеристики
Нагрузка и ресурс
Защита
Конструкция и исполнение
Осевой радиально-упорный шарикоподшипник ZKLN5090-2Z (INA)
Шариковый радиально-упорный подшипник двойного направления ZKLN5090-2RS-PE (INA)
Радиально-упорный шарикоподшипник 528514 (FAG)
Подшипник шариковый двухрядный радиально-упорный 633007C (SKF)
Радиально-упорный шарикоподшипник DE1021 (NTN)
Подшипник шариковый радиально-упорный DAC50900034 (ISO)