Главная > Подшипники> Шариковые> Упорные>ZKLN5090-2RS-2AP

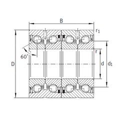
ZKLN5090-2RS-2AP — Шариковый радиально-упорный подшипник двойного направления, импортное производство по ISO стандарту, размер 50x90x68 номер основного исполнения .
Производитель: INA.
Резиновые уплотнения с каждой стороны подшипника.
Цена от:13 910 р.
Цена на подшипник зависит от:
Габаритные размеры
Размеры и геометрические характеристики
Нагрузка и ресурс
Защита
Присоединительные размеры
Конструкция и исполнение