Главная > Подшипники> Шариковые> Упорные>ZKLN4075-2Z

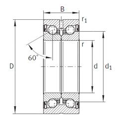
ZKLN4075-2Z — Шариковый радиально-упорный подшипник двойного направления, импортное производство по ISO стандарту, размер 40x75x34 номер основного исполнения .
Производитель: INA.
N4 - N + N2, стопорящие пазы расположены на стороне, противоположной кольцевой канавке.
Цена от:14 189 р.
Цена на подшипник зависит от:
Габаритные размеры
Размеры и геометрические характеристики
Нагрузка и ресурс
Защита
Конструкция и исполнение