Главная > Подшипники> Шариковые> Упорные>ZKLN3572-2Z

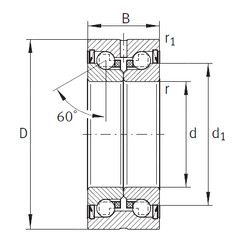
ZKLN3572-2Z — Осевой радиально-упорный шарикоподшипник, импортное производство по ISO стандарту, размер 35x72x34 номер основного исполнения .
Производитель: INA.
2Z = Металлические шайбы с каждой стороны подшипника.
Цена от:10 250 р.
Цена на подшипник зависит от:
Габаритные размеры
Размеры и геометрические характеристики
Нагрузка и ресурс
Защита
Конструкция и исполнение
Подшипник шариковый радиально-упорный сдвоенный 436207
Подшипник шариковый радиально-упорный сдвоенный, наружный кольца обращены друг к другу широкими торцами 2-236207 Е
Подшипник шариковый радиально-упорный 2-436207 К (ГПЗ-4)
Подшипник шариковый радиально-упорный спаренный 2-436207 К6 (ГПЗ-1)
Подшипник шариковый радиально-упорный спаренный 2-436207 КЕ (ГПЗ-23)
Подшипник шариковый радиально-упорный сдвоенный, наружный кольца обращены друг к другу широкими торцами 236207