Главная > Подшипники> Шариковые> Упорные>ZKLN3072-2RS

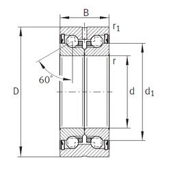
ZKLN3072-2RS — Шариковый радиально-упорный подшипник двойного направления, импортное производство по ISO стандарту, размер 30x72x38 номер основного исполнения .
Производитель: INA.
Резиновые уплотнения с каждой стороны подшипника.
Цена от:16 594 р.
Цена на подшипник зависит от:
Габаритные размеры
Размеры и геометрические характеристики
Нагрузка и ресурс
Защита
Конструкция и исполнение
Подшипник шариковый радиально-упорный сдвоенный, наружный кольца обращены друг к другу широкими торцами 246306
Подшипник шариковый радиально-упорный сдвоенный, наружный кольца обращены друг к другу широкими торцами 266306
Подшипник шариковый радиально-упорный сдвоенный 346306
Подшипник шариковый радиально-упорный сдвоенный 366306
Подшипник шариковый радиально-упорный спаренный 4-446306 Е5 (ГПЗ-3)
Подшипник шариковый радиально-упорный спаренный 4-446306 Л (ГПЗ-3)