Главная > Подшипники> Шариковые> Упорные>ZKLN1034-2Z

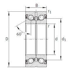
ZKLN1034-2Z — Шариковый радиально-упорный подшипник двойного направления, импортное производство по ISO стандарту, размер 10x34x20 номер основного исполнения .
Производитель: INA.
2Z = Металлические шайбы с каждой стороны подшипника.
Цена от:5 522 р.
Цена на подшипник зависит от:
Габаритные размеры
Размеры и геометрические характеристики
Нагрузка и ресурс
Защита
Конструкция и исполнение
Шариковый радиально-упорный подшипник двойного направления ZKLN1034-2RS (INA)
Осевой радиально-упорный шарикоподшипник ZKLN1034-2RS-PE (INA)