Главная > Подшипники> Шариковые> Упорные>ZKLF90190-2Z

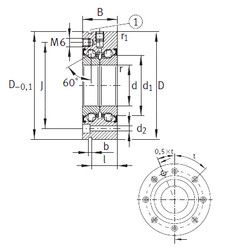
ZKLF90190-2Z — Шариковый радиально-упорный подшипник двойного направления, импортное производство по ISO стандарту, размер 90x190x55 номер основного исполнения .
Производитель: INA.
2Z = Металлические шайбы с каждой стороны подшипника.
Цена по запросу
Цена на подшипник зависит от:
Габаритные размеры
Размеры и геометрические характеристики
Нагрузка и ресурс
Защита
Присоединительные размеры
Конструкция и исполнение
Другие размеры
Подшипник роликовый радиальный 62318M (EPK)
Подшипник роликовый радиальный с короткими роликами однорядный с однобортовым внутренним и фасонным упорным кольцом 62318 М (ГПЗ-3)
Подшипник роликовый радиальный 80-62318 М (ГПЗ-3)
Подшипник роликовый радиальный Н0-62318 М (ГПЗ-3)