Главная > Подшипники> Шариковые> Упорные>ZKLF3590-2RS-PE

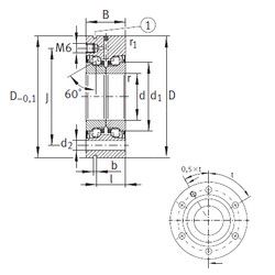
ZKLF3590-2RS-PE — Шариковый радиально-упорный подшипник двойного направления, импортное производство по ISO стандарту, размер 35x90x34 номер основного исполнения .
Производитель: INA.
Резиновые уплотнения с каждой стороны подшипника.
Цена от:10 667 р.
Цена на подшипник зависит от:
Габаритные размеры
Размеры и геометрические характеристики
Нагрузка и ресурс
Защита
Присоединительные размеры
Конструкция и исполнение
Другие размеры
Прецизионный двойной упорно-радиальный шарикоподшипник для винтовых передач BEAM 035090-2RZ (SKF)
Шариковый радиально-упорный подшипник двойного направления BEAM 035090-2RS (SKF)
Шариковый радиально-упорный подшипник двойного направления BEAM 35/90/Z 7P60 (SNFA)
Шариковый радиально-упорный подшипник двойного направления BEAM 35/90/C 7P60 (SNFA)
Шариковый радиально-упорный подшипник двойного направления ZKLF3590-2RS (INA)
Осевой радиально-упорный шарикоподшипник ZKLF3590-2Z (INA)