Главная > Подшипники> Шариковые> Упорные>ZKLF100200-2Z

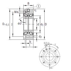
ZKLF100200-2Z — Шариковый радиально-упорный подшипник двойного направления, импортное производство по ISO стандарту, размер 100x200x55 номер основного исполнения .
Производитель: INA.
2Z = Металлические шайбы с каждой стороны подшипника.
Цена по запросу
Цена на подшипник зависит от:
Габаритные размеры
Размеры и геометрические характеристики
Нагрузка и ресурс
Защита
Присоединительные размеры
Конструкция и исполнение
Другие размеры