Главная > Подшипники> Шариковые> Упорные>ZKLDF260

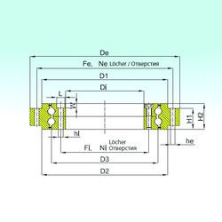
ZKLDF260 — Подшипник шариковый опорно-поворотный, импортное производство по ISO стандарту, размер 260x385x55 основное исполнение.
Производится брендами: INA, ISB.
Комплект подшипников расположенных лицом к лицу, дуплексная Х-образная пара.
Цена от:206 459 р.
Цена на подшипник зависит от:
Габаритные размеры
Размеры и геометрические характеристики
Нагрузка и ресурс
Защита
Присоединительные размеры
Конструкция и исполнение
Другие размеры