Главная > Подшипники> Шариковые> Упорные>ZKLDF200

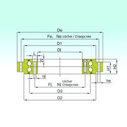
ZKLDF200 — Подшипник шариковый опорно-поворотный, импортное производство по ISO стандарту, размер 200x300x45 основное исполнение.
Производится брендами: INA, ISB.
Комплект подшипников расположенных лицом к лицу, дуплексная Х-образная пара.
Цена от:174 524 р.
Цена на подшипник зависит от:
Габаритные размеры
Размеры и геометрические характеристики
Нагрузка и ресурс
Защита
Присоединительные размеры
Конструкция и исполнение
Другие размеры
Подшипник комбинированный 2-509740
Подшипник роликовый опорно-поворотный YRT 200 (INA, ISB)