Главная > Подшипники> Шариковые> Упорные>ZKLDF100

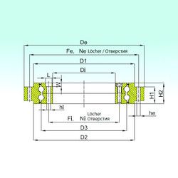
ZKLDF100 — Подшипник шариковый опорно-поворотный, импортное производство по ISO стандарту, размер 100x185x38 основное исполнение.
Производится брендами: INA, ISB.
Комплект подшипников расположенных лицом к лицу, дуплексная Х-образная пара.
Цена от:77 675 р.
Цена на подшипник зависит от:
Габаритные размеры
Размеры и геометрические характеристики
Нагрузка и ресурс
Защита
Присоединительные размеры
Конструкция и исполнение
Другие размеры