Главная > Подшипники> Шариковые> Упорные>ZBL.30.1055.200-1SPTN

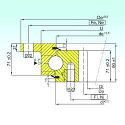
ZBL.30.1055.200-1SPTN — Подшипник шариковый опорно-поворотный, импортное производство по ISO стандарту, размер 912x1200x90 номер основного исполнения .
Производитель: ISB.
SP = Специальный класс точности для подшипников станков: точность размеров приблизительно до P5, точность хода приблизительно до P4.
Цена по запросу
Цена на подшипник зависит от:
Габаритные размеры
Размеры и геометрические характеристики
Защита
Конструкция и исполнение
Другие размеры