Главная > Подшипники> Шариковые> Упорные>ZBL.20.1094.200-1SPTN

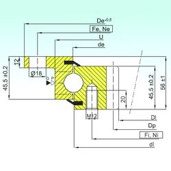
ZBL.20.1094.200-1SPTN — Подшипник шариковый опорно-поворотный, импортное производство по ISO стандарту, размер 984x1198x56 номер основного исполнения .
Производитель: ISB.
SP = Специальный класс точности для подшипников станков: точность размеров приблизительно до P5, точность хода приблизительно до P4.
Цена по запросу
Цена на подшипник зависит от:
Габаритные размеры
Размеры и геометрические характеристики
Защита
Конструкция и исполнение
Другие размеры
Подшипник шариковый опорно-поворотный EBL.20.1094.200-1STPN (ISB)
Подшипник шариковый опорно-поворотный NBL.20.1094.200-1PPN (ISB)