Главная > Подшипники> Шариковые> Упорные>ZB2.25.1103.200-1SPPN

ZB2.25.1103.200-1SPPN — Подшипник шариковый опорно-поворотный, импортное производство по ISO стандарту, размер 963x1200x110 номер основного исполнения .
Производитель: ISB.
SP = Специальный класс точности для подшипников станков: точность размеров приблизительно до P5, точность хода приблизительно до P4.
Цена по запросу
Цена на подшипник зависит от:
Габаритные размеры
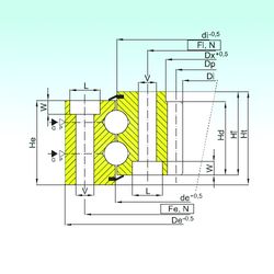
Размеры и геометрические характеристики
Защита
Конструкция и исполнение
Другие размеры
Подшипник шариковый опорно-поворотный ZB2.25.1103.400-1SPPN (ISB)
Подшипник шариковый опорно-поворотный ZB2.25.1103.401-1SPPN (ISB)