Главная > Подшипники> Комбинированные>ZARN 3585 L TN

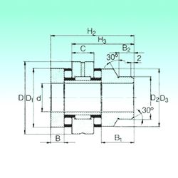
ZARN 3585 L TN — импортное производство по ISO стандарту, размер 35x85x14 номер основного исполнения .
Производитель: NBS.
TN = Полиамидная клетка.
Цена от:865 р.
Цена на подшипник зависит от:
Габаритные размеры
Размеры и геометрические характеристики
Нагрузка и ресурс
Защита
Конструкция и исполнение
Подшипник упорный шариковый двойной 38309
Подшипник упорный шариковый двойной 38309Н
Подшипник комбинированный роликовый ZARN3585-TV (INA)
Подшипник комбинированный роликовый ZARN3585-L-TV (INA)