Главная > Подшипники> Комбинированные>ZARN 3570 L TN

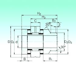
ZARN 3570 L TN — импортное производство по ISO стандарту, размер 35x70x11 номер основного исполнения .
Производитель: NBS.
TN = Полиамидная клетка.
Цена по запросу
Цена на подшипник зависит от:
Габаритные размеры
Размеры и геометрические характеристики
Нагрузка и ресурс
Защита
Конструкция и исполнение