Главная > Подшипники> Комбинированные>ZARN 3080 L TN

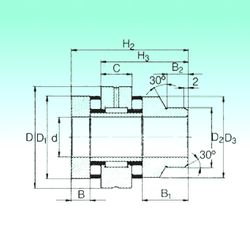
ZARN 3080 L TN — Роликовый игольчатый подшипник, импортное производство по ISO стандарту, размер 30x80x14 номер основного исполнения .
Производитель: NBS.
TN = Полиамидная клетка.
Цена от:21 301 р.
Цена на подшипник зависит от:
Габаритные размеры
Размеры и геометрические характеристики
Нагрузка и ресурс
Защита
Конструкция и исполнение