Главная > Подшипники> Комбинированные>ZARN 3062 L TN

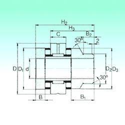
ZARN 3062 L TN — Роликовый игольчатый подшипник, импортное производство по ISO стандарту, размер 30x62x10 номер основного исполнения .
Производитель: NBS.
TN = Полиамидная клетка.
Цена от:14 049 р.
Цена на подшипник зависит от:
Габаритные размеры
Размеры и геометрические характеристики
Нагрузка и ресурс
Защита
Конструкция и исполнение
Подшипник шариковый радиальный 68206 (KBC)
Подшипник комбинированный роликовый ZARN3062-TV (INA)