Главная > Подшипники> Комбинированные>ZARN 2572 L TN

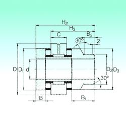
ZARN 2572 L TN — Роликовый игольчатый подшипник, импортное производство по ISO стандарту, размер 25x72x12 номер основного исполнения .
Производитель: NBS.
N2 = Два установочных паза (выемки) на расстоянии 180 градусов в одной боковой поверхности наружного кольца или шайбе корпуса.
Цена от:11 552 р.
Цена на подшипник зависит от:
Габаритные размеры
Размеры и геометрические характеристики
Нагрузка и ресурс
Защита
Конструкция и исполнение