Главная > Подшипники> Комбинированные>ZARN 2062 L TN

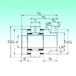
ZARN 2062 L TN — Роликовый игольчатый подшипник, импортное производство по ISO стандарту, размер 20x62x12 номер основного исполнения .
Производитель: NBS.
N2 = Два установочных паза (выемки) на расстоянии 180 градусов в одной боковой поверхности наружного кольца или шайбе корпуса.
Цена от:16 386 р.
Цена на подшипник зависит от:
Габаритные размеры
Размеры и геометрические характеристики
Нагрузка и ресурс
Защита
Конструкция и исполнение
Радиальный шарикоподшипник SC04B19/62CS30PX1/2AQF (NTN)
Роликовый игольчатый подшипник ZARN 2062 TN (NBS)
Подшипник комбинированный роликовый ZARN2062-L-TV (INA)