Главная > Подшипники> Комбинированные>ZARN 1747 L TN

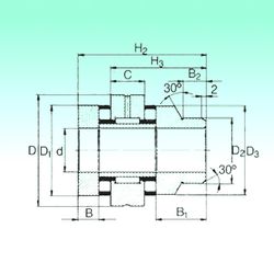
ZARN 1747 L TN — импортное производство по ISO стандарту, размер 17x47x9 номер основного исполнения .
Производитель: NBS.
TN = Полиамидная клетка.
Цена по запросу
Цена на подшипник зависит от:
Габаритные размеры
Размеры и геометрические характеристики
Нагрузка и ресурс
Защита
Конструкция и исполнение
Роликовый игольчатый подшипник ZARN 1747 TN (NBS)
Подшипник комбинированный роликовый ZARN1747-TV (INA)
Подшипник комбинированный роликовый ZARN1747-L-TV (INA)