Главная > Подшипники> Комбинированные>ZARN 1545 L TN

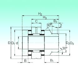
ZARN 1545 L TN — импортное производство по ISO стандарту, размер 15x45x7 номер основного исполнения .
Производитель: NBS.
TN = Полиамидная клетка.
Цена от:7 196 р.
Цена на подшипник зависит от:
Габаритные размеры
Размеры и геометрические характеристики
Нагрузка и ресурс
Защита
Конструкция и исполнение
Роликовый игольчатый подшипник ZARN 1545 TN (NBS)
Подшипник комбинированный роликовый ZARN1545-TV (INA)
Подшипник комбинированный роликовый ZARN1545-L-TV (INA)