Главная > Подшипники> Комбинированные>ZARF65155-L-TV

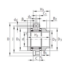
ZARF65155-L-TV — импортное производство по ISO стандарту, размер 65x155x17 номер основного исполнения .
Производитель: INA.
TV = Твердая клетка из армированного стекловолокном полиамида, шариковая езда.
Цена по запросу
Цена на подшипник зависит от:
Габаритные размеры
Размеры и геометрические характеристики
Нагрузка и ресурс
Защита
Присоединительные размеры