Главная > Подшипники> Комбинированные>ZARF50140-L-TV

ZARF50140-L-TV — импортное производство по ISO стандарту, размер 50x140x17 номер основного исполнения .
Производитель: INA.
TV = Твердая клетка из армированного стекловолокном полиамида, шариковая езда.
Цена от:40 998 р.
Цена на подшипник зависит от:
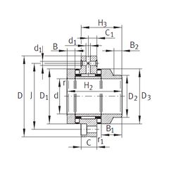
Габаритные размеры
Размеры и геометрические характеристики
Нагрузка и ресурс
Защита
Присоединительные размеры