Главная > Подшипники> Комбинированные>ZARF45105-L-TV

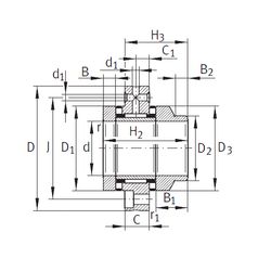
ZARF45105-L-TV — импортное производство по ISO стандарту, размер 45x105x11 номер основного исполнения .
Производитель: INA.
TV = Твердая клетка из армированного стекловолокном полиамида, шариковая езда.
Цена от:25 171 р.
Цена на подшипник зависит от:
Габаритные размеры
Размеры и геометрические характеристики
Нагрузка и ресурс
Защита
Присоединительные размеры