Главная > Подшипники> Комбинированные>ZARF2068-L-TV

ZARF2068-L-TV — импортное производство по ISO стандарту, размер 10x28x7 номер основного исполнения .
Производитель: INA.
TV = Твердая клетка из армированного стекловолокном полиамида, шариковая езда.
Цена от:14 503 р.
Цена на подшипник зависит от:
Габаритные размеры
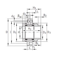
Размеры и геометрические характеристики
Нагрузка и ресурс
Защита
Конструкция и исполнение
Роликовый игольчатый подшипник RAX 420 (KOYO, TIMKEN)
Роликовый игольчатый подшипник NX30Z (INA, NBS, SKF)