Главная > Подшипники> Комбинированные>ZARF 90210 L TN

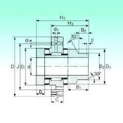
ZARF 90210 L TN — Роликовый игольчатый подшипник, импортное производство по ISO стандарту, размер 90x210x22 номер основного исполнения .
Производитель: NBS.
TN = Полиамидная клетка.
Цена от:148 377 р.
Цена на подшипник зависит от:
Габаритные размеры
Размеры и геометрические характеристики
Нагрузка и ресурс
Защита
Присоединительные размеры
Конструкция и исполнение