Главная > Подшипники> Комбинированные>ZARF 75185 TN

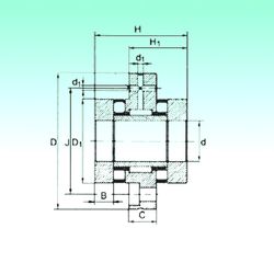
ZARF 75185 TN — Роликовый игольчатый подшипник, импортное производство по ISO стандарту, размер 75x185x21 номер основного исполнения .
Производитель: NBS.
TN = Полиамидная клетка.
Цена по запросу
Цена на подшипник зависит от:
Габаритные размеры
Размеры и геометрические характеристики
Нагрузка и ресурс
Защита
Присоединительные размеры
Конструкция и исполнение