Главная > Подшипники> Комбинированные>ZARF 40115 TN

ZARF 40115 TN — импортное производство по ISO стандарту, размер 40x115x16 номер основного исполнения .
Производитель: NBS.
TN = Полиамидная клетка.
Цена по запросу
Цена на подшипник зависит от:
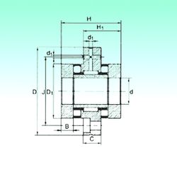
Габаритные размеры
Размеры и геометрические характеристики
Нагрузка и ресурс
Защита
Присоединительные размеры
Конструкция и исполнение