Главная > Подшипники> Комбинированные>ZARF 35110 TN

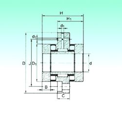
ZARF 35110 TN — Роликовый игольчатый подшипник, импортное производство по ISO стандарту, размер 35x110x14 номер основного исполнения .
Производитель: NBS.
TN = Полиамидная клетка.
Цена от:27 228 р.
Цена на подшипник зависит от:
Габаритные размеры
Размеры и геометрические характеристики
Нагрузка и ресурс
Защита
Присоединительные размеры
Конструкция и исполнение