Главная > Подшипники> Комбинированные>ZARF 2080 TN

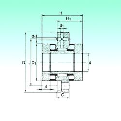
ZARF 2080 TN — импортное производство по ISO стандарту, размер 20x80x12 номер основного исполнения .
Производитель: NBS.
TN = Полиамидная клетка.
Цена по запросу
Цена на подшипник зависит от:
Габаритные размеры
Размеры и геометрические характеристики
Нагрузка и ресурс
Защита
Присоединительные размеры
Конструкция и исполнение