Главная > Подшипники> Комбинированные>ZARF 1560 TN

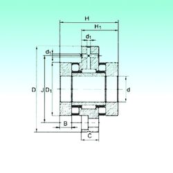
ZARF 1560 TN — Роликовый игольчатый подшипник, импортное производство по ISO стандарту, размер 15x60x7 номер основного исполнения .
Производитель: NBS.
TN = Полиамидная клетка.
Цена от:12 132 р.
Цена на подшипник зависит от:
Габаритные размеры
Размеры и геометрические характеристики
Нагрузка и ресурс
Защита
Присоединительные размеры
Конструкция и исполнение