Главная > Подшипники> Роликовые > Радиально-упорные>ZA-57BWKH04D1-Y-01 E

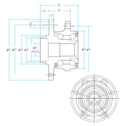
ZA-57BWKH04D1-Y-01 E — Конический роликоподшипник, импортное производство по ISO стандарту номер основного исполнения .
Производитель: NSK.
D1 = (Смазка сегмента, код W33) = Смазочная канавка и три отверстия в наружном кольце подшипника. Начиная с = D320 Суффикс D1 не используется.
Цена по запросу
Цена на подшипник зависит от:
Габаритные размеры
Размеры и геометрические характеристики
Защита
Присоединительные размеры
Конструкция и исполнение
Другие размеры
Прочие характеристики
Конический роликоподшипник ZA-57BWKH04E2-Y-01 E (NSK)
Конический роликоподшипник ZA-60BWKH07R3-Y-01 E (NSK)
Конический роликоподшипник ZA-60BWKH15A-Y--01 E (NSK)