Главная > Подшипники> Комбинированные>YRT80-TV

YRT80-TV — импортное производство по ISO стандарту, размер 80x146x12 номер основного исполнения .
Производитель: INA.
TV = Твердая клетка из армированного стекловолокном полиамида, шариковая езда.
Цена по запросу
Цена на подшипник зависит от:
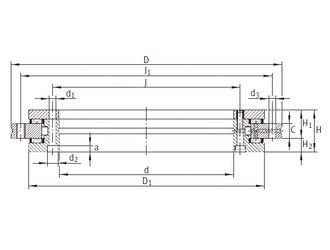
Габаритные размеры
Размеры и геометрические характеристики
Нагрузка и ресурс
Защита
Другие размеры
Осевой радиально-упорный роликоподшипник NRT 80 A (SKF)